ENERGY STORAGE

Our experienced design team can work with any existing ESS ecosystem and can help you navigate newer technology like Tesla’s Backup Switch. We have a comprehensive AHJ database to ensure your project in compliance with all locally adopted ordinances or code interpretations.

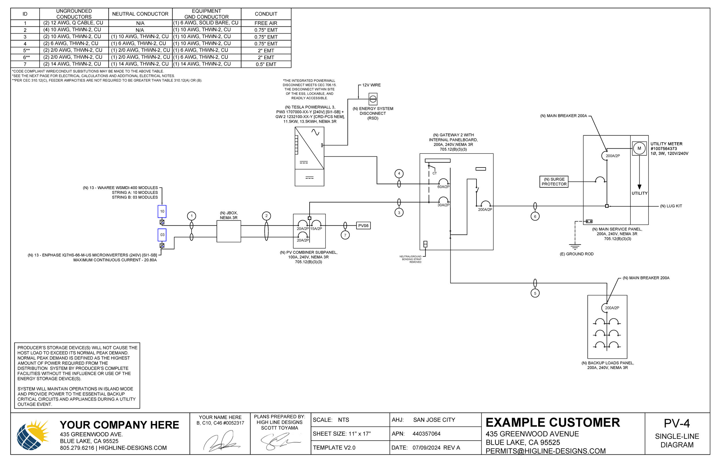
We have a library of main service panels to assist with compatible components, will provide help you utilize the codebook to minimize equipment/wire size, and will ensure your system is designed to streamline installations.

PV

While we take a minimalist approach to our PV plan sets so that they are easy for your team to read in the field. These are not cookie-cutter designs; you will not see oversized ground from old code cycles, unrelated labels, or unnecessary disconnects. We will provide AHJ-specific designs that are code-complaint designs but strive to minimize wire size, equipment, and attachments to save your install teams time and you money.

COMMERCIAL

Reach out for a quote on your commercial PV or ESS project today!

NEW HOMES

Our team can help you navigate Title 24 requirements for single-family homes, and we can also help you with Master plans for new single-family attached developments.

BI-DIRECITONAL CHARGERS, EV CHARGERS, MAIN SERIVCE PANEL UPGRADES, & GENERATORS

Whether you’re looking to install the Tesla Powershare Bi-Directional charging system for your customer’s new Cybertruck or just installing a main service panel or new generator, we’ve got you covered!